Hey All, 
I just wanted to take the time to do a little write-up on a little-known cartridge that I have really been having a great time with. That cartridge is the 22 PDK. Below, I intend to include a physical description of the cartridge, my philosophy of use for the round, real world performance numbers, sources for components, and I’ll end with some various photos. I hope you enjoy!
Physical Description:
The 22 PDK is essentially a necked down and improved 6.8 SPC. This case sports a 30 degree shoulder and mine holds 35.8 grains of water. I’ve included a copy of the reamer print at the end of the discussion. Detailed data will be provided below, but this round is capable of driving 55 gr bullets at 3550 FPS and 77 gr bullets at 3100 FPS from a 20†AR15.
Philosophy of Use (that is, what is it good for?):
There a few different ways this round can be used. To some, this will serve as a competition cartridge (please forgive my ignorance in this arena). Others will see this as a very practical and effective hunting round for deer or hog sized animals. For me, it serves as a cheaper round to practice with, while still offering ballistics suitable for mid-range (400-600 yards) shooting. I’ve also been able to verify its potential as a hunting round, having seen two antelope taken with it this fall. I chose to build it on an AR15, although it could and has been built on a bolt gun as well.
Performance:
The performance of this round are what really attracted me to it. I’ve been able to achieve the following from a 20†AR15:
- 53 gr Vmax over Hodgdon CFE 223 at 3570 FPS at 3/8 MOA
- 68 gr Hornady over Hodgdon CFE 223 BTHP at 3150 FPS at ½ MOA
- 77 gr Nosler BTHP Hodgdon Varget at 3000 FPS at 1 MOA
More performance and detailed load data can be had at: PDK20.com. Based on the numbers there, I could gain some more performance if I were to try some of the different powders he has listed. Given the timing of my acquisition of this cartridge, I’ve been limited to trying CFE223, Varget, Acc 2460 and Ramshot Tac.
To put those into perspective, here are the above numbers compared to the 223, 22-250 and 243 (just for comparision). The tables below were generated using my data for the 22 PDK, and the top velocities noted on the Hodgdon Reloading Data Center. For the 77 gr 22-250 load, I averaged data taken from 22-250 Cartridge Guide within AccurateShooter.com. Nosler does not accurate portray their BC for the 77 gr BTHP (they actually are too conservative), so I used the Litz G7 BC. For the 243, I tried to select a bullet that was comparable in design and performance to give the best comparison. Because each of Hodgdons velocities were from a 24†barrel, I subtracted 200 FPS for a fair comparison to a 20†barrel:
		
		
	
	
		 
	
As you can see, the 22 PDK is not far behind the 22-250, and is really in a different class than the standard 223 Rem. It should be noted that the 22 PDK is using about 22% less powder per round averaged between these three specific loads.
Sources for Specific Components:
The 22 PDK is a wildcat, but it is not a hard cartridge to come up with components for.
White Oak Armament (WOA) used to make barrels, but they are currently unavailable. Perhaps they’d be willing to ship their reamer to a barrel maker for you? I can put you in touch with the smith in Texas who built my upper. Roy at PDK20.com states that he has barrels. I am aware also that Keystone Accuracy has a long throated reamer for this round.
WOA should still have complete Forster Benchrest die sets on hand and in stock. They are not catalogued, so you’ll need to contact them to order a set. Their CS is great, prompt and helpful.
Proper headstamp brass can be had from Roy at PDK20.com. Brass can also be formed from standard 6.8 SPC or 6mm Hagar brass.
In an AR, the 22 PDK uses the 6.8 SPC magazine and bolts. Otherwise, it is completely standard. It could be built on a SA bolt action as well, but would require a 6.8 SPC diameter bolt face.
Conclusion:
In conclusion then, the 22 PDK is a great little round that allows one to see near 22-250 performance in an AR15. It is the perfect compromise of price per round and performance for me to learn long range shooting, as well as have the ability to take deer and antelope sized game. It is quite a versatile cartridge that really raises the ballistic performance of a standard AR15.
Pics:
Left to Right: 223 Rem (50 gr Vmax), 22 PDK (53gr Vmax), 22 PDK (77gr Nosler BTHP), 6.8 SPC, 22-250 Rem (55gr Vmax), 308 Win, 7.62x39.
		 
	
My Rifle:
		 
	
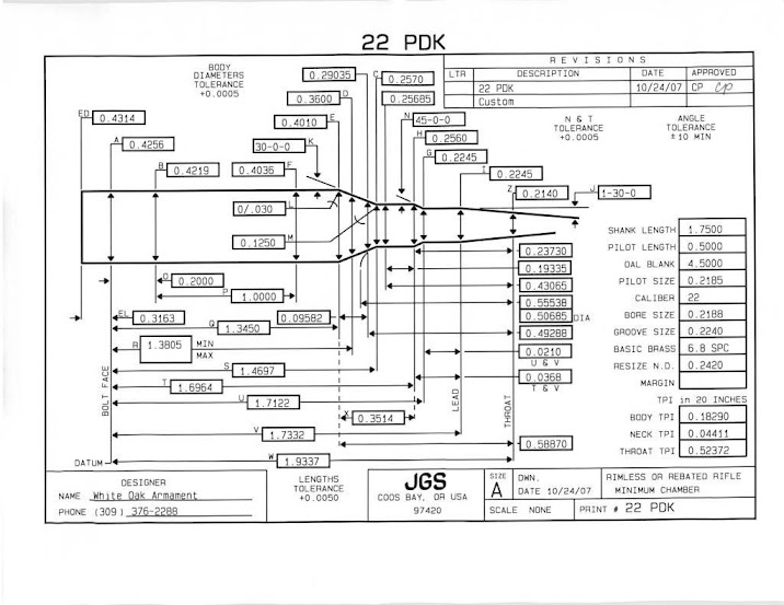
Reamer Print:
		 
	
Thanks for reading guys and may God bless you,
Adam
				
			I just wanted to take the time to do a little write-up on a little-known cartridge that I have really been having a great time with. That cartridge is the 22 PDK. Below, I intend to include a physical description of the cartridge, my philosophy of use for the round, real world performance numbers, sources for components, and I’ll end with some various photos. I hope you enjoy!
Physical Description:
The 22 PDK is essentially a necked down and improved 6.8 SPC. This case sports a 30 degree shoulder and mine holds 35.8 grains of water. I’ve included a copy of the reamer print at the end of the discussion. Detailed data will be provided below, but this round is capable of driving 55 gr bullets at 3550 FPS and 77 gr bullets at 3100 FPS from a 20†AR15.
Philosophy of Use (that is, what is it good for?):
There a few different ways this round can be used. To some, this will serve as a competition cartridge (please forgive my ignorance in this arena). Others will see this as a very practical and effective hunting round for deer or hog sized animals. For me, it serves as a cheaper round to practice with, while still offering ballistics suitable for mid-range (400-600 yards) shooting. I’ve also been able to verify its potential as a hunting round, having seen two antelope taken with it this fall. I chose to build it on an AR15, although it could and has been built on a bolt gun as well.
Performance:
The performance of this round are what really attracted me to it. I’ve been able to achieve the following from a 20†AR15:
- 53 gr Vmax over Hodgdon CFE 223 at 3570 FPS at 3/8 MOA
- 68 gr Hornady over Hodgdon CFE 223 BTHP at 3150 FPS at ½ MOA
- 77 gr Nosler BTHP Hodgdon Varget at 3000 FPS at 1 MOA
More performance and detailed load data can be had at: PDK20.com. Based on the numbers there, I could gain some more performance if I were to try some of the different powders he has listed. Given the timing of my acquisition of this cartridge, I’ve been limited to trying CFE223, Varget, Acc 2460 and Ramshot Tac.
To put those into perspective, here are the above numbers compared to the 223, 22-250 and 243 (just for comparision). The tables below were generated using my data for the 22 PDK, and the top velocities noted on the Hodgdon Reloading Data Center. For the 77 gr 22-250 load, I averaged data taken from 22-250 Cartridge Guide within AccurateShooter.com. Nosler does not accurate portray their BC for the 77 gr BTHP (they actually are too conservative), so I used the Litz G7 BC. For the 243, I tried to select a bullet that was comparable in design and performance to give the best comparison. Because each of Hodgdons velocities were from a 24†barrel, I subtracted 200 FPS for a fair comparison to a 20†barrel:
As you can see, the 22 PDK is not far behind the 22-250, and is really in a different class than the standard 223 Rem. It should be noted that the 22 PDK is using about 22% less powder per round averaged between these three specific loads.
Sources for Specific Components:
The 22 PDK is a wildcat, but it is not a hard cartridge to come up with components for.
White Oak Armament (WOA) used to make barrels, but they are currently unavailable. Perhaps they’d be willing to ship their reamer to a barrel maker for you? I can put you in touch with the smith in Texas who built my upper. Roy at PDK20.com states that he has barrels. I am aware also that Keystone Accuracy has a long throated reamer for this round.
WOA should still have complete Forster Benchrest die sets on hand and in stock. They are not catalogued, so you’ll need to contact them to order a set. Their CS is great, prompt and helpful.
Proper headstamp brass can be had from Roy at PDK20.com. Brass can also be formed from standard 6.8 SPC or 6mm Hagar brass.
In an AR, the 22 PDK uses the 6.8 SPC magazine and bolts. Otherwise, it is completely standard. It could be built on a SA bolt action as well, but would require a 6.8 SPC diameter bolt face.
Conclusion:
In conclusion then, the 22 PDK is a great little round that allows one to see near 22-250 performance in an AR15. It is the perfect compromise of price per round and performance for me to learn long range shooting, as well as have the ability to take deer and antelope sized game. It is quite a versatile cartridge that really raises the ballistic performance of a standard AR15.
Pics:
Left to Right: 223 Rem (50 gr Vmax), 22 PDK (53gr Vmax), 22 PDK (77gr Nosler BTHP), 6.8 SPC, 22-250 Rem (55gr Vmax), 308 Win, 7.62x39.
My Rifle:
Reamer Print:
Thanks for reading guys and may God bless you,
Adam
 
	










 
 
		
